Neohodnotené
Automatické relé na dobíjanie druhej batérie 12V/140A s voltmetrom
| Kategória: | Poistky a konektory |
|---|---|
| EAN: | 8595684116762 |
Automatické relé 12V 140A na pripojenie druhej batérie, vrátane voltmetra pre zobrazenie napätia batérie.
Vlastnosti
- plne automatická prevádzka
- možnosť manuálneho ovládania pomocou tlačidla
- zopnutie relé pri dosiahnutí napätia 13,3 V
- odpojenie relé pri poklese napätia pod 12,8 V
- jednoduché trojvodičové pripojenie na batérie
- ochrana proti prepätiu
- indikačná LED dióda
- stály prúd 125 A
- maximálny prúd až 140 A
- žiadny úbytok napätia, vďaka kvalitným komponentom
- sleduje napätie oboch batérií
- spotreba v rozopnutom stave: 10 mA
- spotreba pri zopnutom stave: 330 mA
- spotreba v úspornom režime: 0 mA (pokiaľ nebeží motor, relé sa po určitej dobe prepne do tohto režimu)
- pripojenie batérií pomocou kontaktov M6
Rozmery
- 65 mm (L)
- 65 mm (W)
- 55 mm (D)
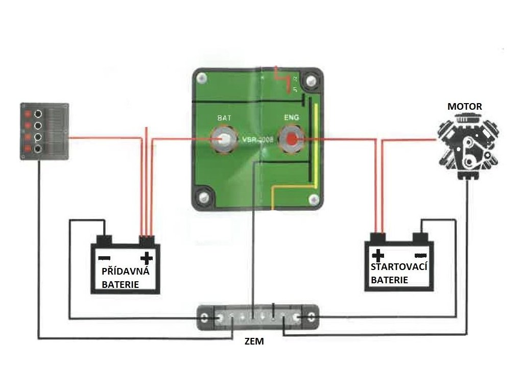
Pripojenie:
- čierny vodič - kostra
- kontakt M6 – štartovacia batéria + 12V
- kontakt M6 – sekundárna batéria +12V
Prevádzka:
S použitím tohto relé je možné nabíjať 2 batérie súčasne. Ak sa spustí motor a štartovacia batéria dosiahne napätie 13,3 V, relé prepojí paralelne 2 batérie, (štartovacie a sekundárne) ktoré sa potom nabíja súčasne. Pokiaľ napätie klesne pod 12.8 V (napríklad pri vypnutí motora), relé sa rozpojí, a dve batérie sú od seba oddelené. Tento systém zabraňuje vybíjaniu batérie štartéra a chráni citlivé elektronické zariadenie, ktoré je pripojené na sekundárnu batériu pred napäťovými špičkami, ktoré sa môžu vyskytnúť napr. pri štartovaní motora. Inteligentná elektronika prepne relé napr. aj pri dobíjaní sekundárnej batérie zo solárneho panelu a umožní tak dobitie aj štartovacej batérie.
Vlastnosti
- plne automatická prevádzka
- možnosť manuálneho ovládania pomocou tlačidla
- zopnutie relé pri dosiahnutí napätia 13,3 V
- odpojenie relé pri poklese napätia pod 12,8 V
- jednoduché trojvodičové pripojenie na batérie
- ochrana proti prepätiu
- indikačná LED dióda
- stály prúd 125 A
- maximálny prúd až 140 A
- žiadny úbytok napätia, vďaka kvalitným komponentom
- sleduje napätie oboch batérií
- spotreba v rozopnutom stave: 10 mA
- spotreba pri zopnutom stave: 330 mA
- spotreba v úspornom režime: 0 mA (pokiaľ nebeží motor, relé sa po určitej dobe prepne do tohto režimu)
- pripojenie batérií pomocou kontaktov M6
Rozmery
- 65 mm (L)
- 65 mm (W)
- 55 mm (D)
Pripojenie:
- čierny vodič - kostra
- kontakt M6 – štartovacia batéria + 12V
- kontakt M6 – sekundárna batéria +12V
Prevádzka:
S použitím tohto relé je možné nabíjať 2 batérie súčasne. Ak sa spustí motor a štartovacia batéria dosiahne napätie 13,3 V, relé prepojí paralelne 2 batérie, (štartovacie a sekundárne) ktoré sa potom nabíja súčasne. Pokiaľ napätie klesne pod 12.8 V (napríklad pri vypnutí motora), relé sa rozpojí, a dve batérie sú od seba oddelené. Tento systém zabraňuje vybíjaniu batérie štartéra a chráni citlivé elektronické zariadenie, ktoré je pripojené na sekundárnu batériu pred napäťovými špičkami, ktoré sa môžu vyskytnúť napr. pri štartovaní motora. Inteligentná elektronika prepne relé napr. aj pri dobíjaní sekundárnej batérie zo solárneho panelu a umožní tak dobitie aj štartovacej batérie.
Diskusia
Buďte prvý, kto napíše príspevok k tejto položke.